一、设计思路
传统摇控玩具车是仅靠干电池充电驱动马达运动实现运动。本款玩采用具有前进、后退、左转、右转控制功能及减震装置底座,利用太阳能电池板充电,在太阳光下充电3小时可持续工作30分钟,多晶硅太阳能电池板采用9V供电系统,具有节能,环保,耐用,动力强劲、持久性能。由于采用了编码发射及解码接收电路,所以具有较高的抗干扰性能,较普通玩具车具有设计理念时尚、市场前广、投资潜力大的特点。
二、设计方框图


太阳能电池板


遥控器


车身底部
四、太阳能电池板及其工作原理
太阳能的光电转换是指太阳的辐射能光子通过半导体物质转变为电能的过程,通常叫做"光生伏打效应”,太阳电池就是利用这种效应制成的。当太阳光照射到半导体上时,其中一部分被表面反射掉,其余部分被半导体吸收或透过。被吸收的光,当然有一些变成热,另一些光子则同组成半导体的原子价电子碰撞,于是产生电子-空穴对。这样,光能就以产生电子-空穴对的形式转变为电能、如果半导体内存在P-n结,则在P型和n型交界面两边形成势垒电场,能将电子驱向n区,空穴驱向P区,从而使得n区有过剩的电子,P区有过剩的空穴,在P-n结附近形成与势垒电场方向相反光的生电场。光生电场的一部分除抵销势垒电场外,还使P型层带正电,n型层带负电,在n区与p区之间的薄层产生所谓光生伏打电动势。若分别在P型层和n型层焊上金属引线,接通负载,则外电路便有电流通过。如此形成的一个个电池元件,把它们串联、并联起来,就能产生一定的电压和电流,输出功率。
太阳能发电原理图如下:

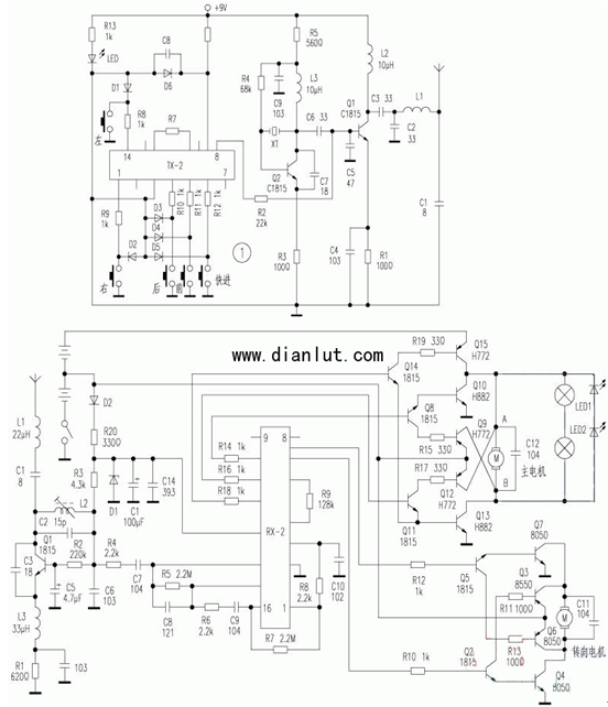
遥控器主要由形成遥控信号的微处理器芯片、晶体振荡器、放大晶体管、红外发光二极管以及键盘矩阵组成。其工作原理如下 微处理器芯片IC1内部的振荡器通过2、3脚与外部的振荡晶体X组成一个高频振荡器,产生高频振荡信号(480kHz)。此信号送入定时信号发生器后产生40KHz的正弦信号和定时脉冲信号。正弦信号送入编码调制器作为载波信号;定时脉冲信号送制扫信号发生器、键控输入编码器和指令编码器作为这些电路的时间标准信号。
IC1内部的扫描信号发生器产生五中不同时间的扫描脉冲信号,由5~9脚输出送至键盘矩阵电路。当按下某一键时,相应于该功能按键的控制信号分别由10~14脚输入到键控编码器,输出相应功能的数码信号。然后由指编码器输出指令码信号,经过调制器调制在载波信号上,形成包含有功能信息的高频脉冲串,由17脚输出经过晶体管BG放大,推动红外线发光二极管D发射出脉冲调制信号。
六、工作电路及原理介绍
今天介绍这款我们设计的遥控车。采用太阳能电池板供电该集成电路具有5种控制功能,即前进、后退加速、左转和右转等,这样还可以使它在水面上行走。由于采用了编码发射及解码接收电路,所以具有较高的抗干扰性能。

车分两大部分:1。遥控设备 2。车动力系统遥控器可把你输入的方向信号转化成不同的电磁波信号发射出去,车体接收到,又把电磁信号转化为控制电动机或舵机的不同电流,使车按你的控制行驶。另外,车体上的电池分为电动机供电和太阳能供电二种方式
无线电遥控车的设备一般都包括以下几个部分遥控发射机、遥控接收机、执行舵机、电子调速器组成。
1.遥控发射机
就是我们所说的遥控器,由于它外部有一个长长的天线,遥控指令都是通过机壳外部的控制开关和按钮,经过内部电路的调制、编码,再通过高频信号放大电路由天线将电磁波发射出去。比例遥控杆式发射机有两个操纵杆,左边的杆用来控制模型车的速度及刹车(前进或后退),右边的杆控制模型车的方向。
2.遥控接收机
遥控接收机是安装在车上用来接收无线电信号的。它会处理来自遥控发射机的无线电信号,将所接收的信号进行放大、整形、解码,并把接收来的控制信号转换成执行电路可以识别的音频信号或是数字脉冲信号,传输给车模上或船模上的其他电子部件,如:舵机电路、电子调速器电路等执行机构,这样一来我们的车模或船模,就会通过这些执行机构来完成我们所发出的动作指令。接收机与发射机配套使用,使用专用的电池组或使用六伏直流电源(4节5号电池)。
3.伺服电机
舵机是把从接收机传来的信号转换为机械的动作的一种机电一体的装置,主要作用是把接收机收到的电信号转换成相应的机械动作,借此完成方向和速度的控制。

